1、定時IC芯片工作電壓,DC2.2-5.5V。
2、兩路電平信號輸出,一路輸出低電平,一路輸出高電平,上電不工作,一個按鍵控制,觸發一下,兩路信號同步工作,延時15秒,時間到自動停止工作,重新觸發重新工作15秒。工作中觸發無效。
3、極限參數
ABSOLUTE MAXIMUM RATING
4、 電氣參數
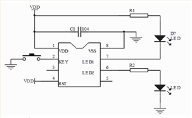
5、參考電路圖:
深圳市麗晶微電子科技有限公司,專注于15秒定時IC芯片,定時開關IC芯片,定時IC芯片方案開發,延時IC芯片,定時IC可編程,單片機定時芯片。咨詢熱線:0755-29100085

蠟燭循環定時IC芯片
10小時定時蠟燭IC芯片
秒定時IC芯片,延時芯片
紅外線遙控8小時亮-16小時滅循環定時IC
20分鐘燈串定時芯片
5分鐘燈串定時IC
臺燈循環定時器IC芯片
1-2-3-4-6-8小時定時開關IC芯片
5秒延時IC芯片
四鍵觸摸調光定時芯片
電話咨詢
產品中心
聯系麗晶微
網站地圖