一,功能說明:EC340H-04循環定時IC
4小時開,20小時關循環定時ic有以下功能:
多功能循環定時IC,低功耗,寬工作電壓范圍,可以輸出高電平和低電平兩種狀態。內有8種不同的定時模式。可設定時間為
10小時ON~ 14小時OFF
8小時ON~ 16小時OFF
7小時ON~ 17小時OFF
6小時ON~ 18小時OFF
5小時ON~ 19小時OFF
4小時ON~ 20小時OFF
3小時ON~ 21小時OFF
2小時ON~ 22小時OFF,
上電后,如果晶振不起振,OUT輸出高平。晶振起振后OUT 輸出低電平,定時時 間到OUT輸出高電平。
1,TEST快速測試,按下TEST,定時8小時,OUT就相應的閃8次
2, 高電平輸出有20mA、低電平輸出有40mA。
3,用K4、K5、K6來選擇輸出電平的占空比,(以K1、K2、K3不接為例,T1、T2的單位小時)占空比見下表:
二,電氣特性: (VDD=3.0V,GND=0V,Ta=25℃)
三,輸出波形:
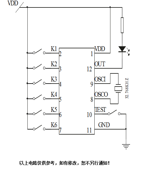
四,IC幫定腳位圖:
五,應用電路圖:


蠟燭循環定時IC芯片
10分鐘觸發循環定時IC芯片
10開-14關循環定時IC芯片
循環定時蠟燭芯片,8小時開16小時關
紅外遙控噴泉燈 5小時-19小時循環定時芯片
6開18關定時閃燈芯片
電話咨詢
產品中心
聯系麗晶微
網站地圖