超低功耗9C51-528E單按鍵ON/OFF開關芯片
一.功能說明
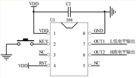
一路輸入控制兩路電平信號輸出,上電OUT1輸出高電平,OUT2輸出低電平。觸發一下開OUT1輸出低電平,OUT2輸出高電平,再觸發下電平翻轉-關閉(OUT1輸出高電平,OUT2輸出低電平)。
二.極限電氣參數
ABSOLUTE MAXIMUM RATING
三.電氣參數(VDD=5.0V TA=25℃)
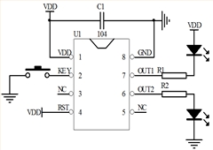
四.腳位圖(SOP-8)
五.電路圖參考
接LED應用圖
六.封裝尺寸圖(SOP-8)
七.版本說明
深圳市麗晶微電子科技有限公司,專注于低功耗開關機芯片,常用一鍵開關機IC,觸發按鍵開關芯片,ON/OFF電子開關IC,工業級單片機開關機芯片,咨詢熱線:0755-29100085

超低功耗長按1-3秒開關IC
電話咨詢
產品中心
聯系麗晶微
網站地圖