LZ180913-1063-136C紅外遙控+按鍵換段定時燈串PCBA方案
一.功能說明
手動按鍵觸發+紅外遙控,上電不工作,2 IO口輸出推LED,八段變化,工作電壓4.5V(干電池).
手動按鍵觸發:每按一次為一段,第九次為關.
定時采用32.768KHZ晶振,1---8鍵自由選擇LED八段變化,TIMER為6-18H定時,亮度可加減,(在定時狀態下無晶振不工作)
ON按鍵:功能開啟鍵,八段閃法輪流輸出;上電按第一次沒有提示,開啟后再按ON有提示閃一下,提示接收到信號;任何模式下按“ON”清除定時.ON按鍵無定時。
OFF按鍵:功能關閉鍵,關閉所有功能
TIMER按鍵:功能開啟后,按TIMER鍵,則進入6-18小時定時模式,有提示閃一下;每按一次TIME都視為重新計時,按ON鍵取消定時.
“1---8”按鍵:八種閃法選擇,TIMER狀態下,改變閃爍模式不改變定時,同樣手動模式按鍵改變閃爍模式不改變定時。
“-”減亮按鍵:輸出亮度依此減小,減到最暗時候,再按減亮鍵,不能再減小亮度,無論原來在哪個模式下,都可以減小亮度,且不改變模式和定時狀態.
“+”加亮按鍵:輸出亮度依此增加, 加到最亮時候,再按加亮鍵,不能再提高亮度,無論原來在哪個模式下,都可以增加亮度,且不改變模式和定時狀態.
初始狀態亮燈為中等亮度, ON按鍵可以記憶調節亮度檔位。
數據碼如下圖:OOFF用戶碼
二.電氣參數(VDD=5.0V TA=25℃)
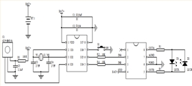
三.參考電路圖:
四.PCBA實物圖:
深圳市麗晶微電子科技有限公司,專注于太陽能遙控燈串八模式線路板,8模式100燈銅線燈串八功能遙控燈串電路板,遙控LED太陽能銅線燈串芯片方案開發, 咨詢熱線:0755-29100085

電話咨詢
產品中心
聯系麗晶微
網站地圖