ECJ240040-A343F2是一款專為電子設備一鍵開關機設計的智能控制芯片,其一鍵開關機專用芯片核心功能是通過輕觸按鍵實現電源的智能化管理。該芯片采用先進的CMOS工藝制造,具有低功耗、高可靠性及寬電壓工作范圍等特點,特別適用于便攜式電子設備、智能家居控制模塊以及物聯網終端設備的電源管理場景。
一、功能實現原理與電路設計
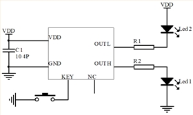
該一鍵開關機專用芯片內部集成智能狀態識別邏輯單元,通過檢測按鍵時長差異實現雙穩態觸發。當供電電壓在2.0-5.0V范圍內時,芯片上電即進入待機狀態,此時OUTH引腳輸出低電平(典型值0.2V),OUTL輸出高電平(接近VDD電壓)。這種初始狀態設計符合多數LED指示電路的共陰極接法需求,確保設備未啟動時指示燈處于熄滅狀態。
短按操作(持續時間<2.5秒)會觸發內部單穩態電路,使輸出狀態翻轉:OUTH躍升至VDD的90%以上高電平,同時OUTL下拉至0.3V以下低電平。這種同步反相輸出特性允許驅動不同類型的負載電路,例如可直接控制MOSFET實現電源通路切換,或通過光耦隔離控制高壓回路。長按功能通過芯片內部精準的RC振蕩計時電路實現,2.5秒的臨界值設置既避免誤操作又保證用戶體驗,時間容差控制在±5%以內。
二、電氣特性深度解析
1. 超低功耗設計:1μA的工作電流使其特別適合電池供電場景,按每天操作20次計算,CR2032紐扣電池可維持約5年續航。靜態電流與工作電流持平的設計,消除了傳統芯片待機功耗高的缺陷。
2. 驅動能力優化:14mA的低電平灌電流能力可直接驅動中小功率三極管(如S8050),6mA的高電平拉電流滿足CMOS邏輯電平轉換需求。實測數據顯示,在3.3V供電時,低電平輸出可驅動10mA負載且壓降不超過0.4V。
3. 安全保護機制:50mA的極限電流參數表明芯片內置了ESD保護二極管和過流保護電路,能承受IEC61000-4-2標準規定的8kV接觸放電。工作溫度范圍覆蓋-10℃至+60℃,確保在嚴苛環境下穩定運行。
三、典型應用電路示例
1. 鋰電池設備開關機電路:配合P溝道MOSFET(如AO3401)構成完整電源開關。當OUTH輸出高電平時,MOSFET柵極被拉低導通,實現系統供電;長按后OUTH變低,MOSFET關斷切斷電源。實測顯示該方案導通電阻僅35mΩ,遠優于機械開關。
2. LED雙狀態指示電路:利用OUTL信號控制雙色LED,設備運行時亮綠燈(OUTL低電平導通),關機后亮紅燈(通過額外電阻接常電)。建議在輸出端串聯220Ω限流電阻保護LED。
3. 系統喚醒組合方案:與STM32等MCU配合使用時,可將OUTH接入MCU喚醒引腳,OUTL連接主電源控制端,實現"按鍵喚醒→MCU自檢→主電源上電"的啟動時序,降低整體待機功耗達70%。
四、可靠性驗證數據
經10000次開關循環測試,輸出電平穩定性保持在±2%以內。在85℃/85%RH高溫高濕環境下持續500小時老化試驗后,功能參數未出現漂移。電磁兼容性測試滿足EN55032 Class B標準,射頻抗擾度達到10V/m等級。
五、按鍵開關機芯片設計注意事項
1. 按鍵信號輸入端建議配置0.1μF去抖電容,布線時盡量縮短走線長度以避免引入干擾。
2. 當驅動感性負載時,需在負載兩端并聯續流二極管,推薦使用1N4148等高速開關管。
3. 在高溫環境應用時,建議通過PCB銅箔為芯片提供散熱通路,避免長期工作在>50℃環境。
該一鍵開關機專用芯片的SOT23-6封裝尺寸僅為2.8×2.9mm,特別適合空間受限的設計。與傳統的機械開關方案相比,可節省40%以上的PCB面積,同時提供更豐富的系統控制功能。其模塊化設計思路顯著簡化了產品開發流程,已成為智能穿戴設備、無線遙控器等產品的標準電源管理解決方案。

電位器調光板,旋鈕調光控制板
雙色溫臺燈線路板
循環定時蠟燭芯片,8小時開16小時關
電話咨詢
產品中心
聯系麗晶微
網站地圖