兩按鍵觸摸調光電路板,輸入電源電壓DC=5V,或4節AA電池6V。芯片電壓由一顆3.3V穩壓芯片控
制恒壓。輸入也可用3.7V鋰電池供電,USB充電,充電帶有過充過放保護,充電快安全性高。這款觸
摸線路板適用于觸摸類臺燈和觸摸類LED化妝鏡等小家電的生產。
觸摸開關電路板,兩個觸摸按鍵控制,共有2路LED輸出,觸摸按鍵分別控制兩路燈光,觸摸開關
無極調光功能。短按觸摸開關功能 ,長按觸摸無極調光。上電不工作,觸摸按鍵K1打開LED1亮,初
始亮度默認 50%,帶電記憶功能,即在不掉電的情況下,關閉后再打開,LED亮度為關閉前的亮度。
工作時長按無極調光,一次長按增加亮度,一次長按減小亮度,短按關。觸摸PCBA的兩個觸摸按鍵
功能相同,兩路LED可同時工作。
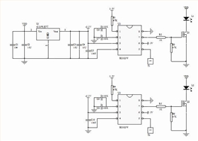
觸摸開關線路板主控芯片采用EC022W,芯片功能穩定,抗干擾能力強,觸摸靈敏度高,可根據觸
摸介質厚度的不同進行調整。觸摸IC的介質適用范圍寬,適用于亞克力、木材、玻璃、金屬等。介質厚
度可達6mm。

電位器調光板,旋鈕調光控制板
雙色溫臺燈線路板
循環定時蠟燭芯片,8小時開16小時關
電話咨詢
產品中心
聯系麗晶微
網站地圖