EC210917-9C841E七鍵遙控定時蠟燭芯片
一、功能說明
供電方式:DC3V(AA*2)一路紅外遙控輸入控制,一路LED輸出。上電工作,蠟燭燈閃法:柔和閃 。有晶振檢測:無晶振或晶振工作不正常時,定時按鍵模式LED無輸出。
上電工作,蠟燭燈閃法:柔和閃 。
遙控功能介紹
OFF鍵:關閉LED和定時。
ON鍵:開啟LED和取消定時。
ON/OFF鍵:按一下開,再按關閉,循環。
4H鍵:4-20小時循環定時模式(提示閃2下再進入功能)。OFF狀態下按此鍵,直接開啟LED并閃2下進入定時模式。
5H鍵:5-19小時循環定時模式(提示閃2下再進入功能)。OFF狀態下按此鍵,直接開啟LED并閃2下進入定時模式。
6H鍵:6-18小時循環定時模式(提示閃2下再進入功能)。OFF狀態下按此鍵,直接開啟LED并閃2下進入定時模式。
8H鍵:8-16小時循環定時模式(提示閃2下再進入功能)。OFF狀態下按此鍵,直接開啟LED并閃2下進入定時模式。
按鍵對應編碼(客戶碼:00FF)
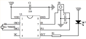
三、封裝腳位圖(SOP-8)
四、電路圖參考
五、封裝尺寸圖(SOP-8)
六、版本說明


遙控定時搖擺蠟燭芯片
遙控6開18關定時蠟燭芯片
電話咨詢
產品中心
聯系麗晶微
網站地圖