EC210126-147E-9164 12LED流星雨燈芯片 一. 功能說明 供電方式:DC5V電源適配器,四路LED輸出。上電工作,12LED一直流水燈閃。
EC210126-147E-9164 12LED流星雨燈芯片
一.功能說明
供電方式:DC5V電源適配器,四路LED輸出。上電工作,12LED一直流水燈閃。
二.電氣參數(VDD=3.0V TA=25℃)
|
參數 |
符號 |
最小值 |
典型值 |
最大值 |
單位 |
條件 |
|
工作電壓 |
VDD |
2.4 |
3.0 |
5.0 |
V |
|
|
工作電流 |
IOP |
|
|
3 |
mA |
|
|
靜態電流 |
ISTB |
|
|
10 |
uA |
|
|
驅動電流 |
Iol |
|
|
30 |
mA |
|
|
工作溫度 |
TA |
-10 |
25 |
70 |
℃ |
|
|
儲存溫度 |
Tstg |
-20 |
25 |
100 |
℃ |
|
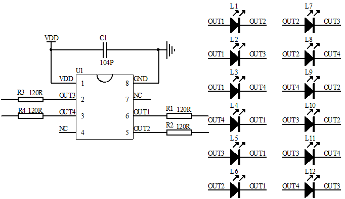
三.封裝腳位圖(SOP-8)
|
管腳號 |
符號 |
功能描述 |
|
1 |
VDD |
電源正 |
|
2 |
OUT3 |
LED3輸出 |
|
3 |
OUT4 |
LED4輸出 |
|
4 |
NC |
懸空 |
|
5 |
OUT2 |
LED2輸出 |
|
6 |
OUT1 |
LED1輸出 |
|
7 |
NC |
懸空 |
|
8 |
GND |
電源負 |
四.電路圖參考
五.封裝尺寸圖(SOP-8)
六.版本說明
|
版本 |
日期 |
描述 |
|
EC210126-147E-9164 |
2021/3/1 |
V01初版 |
|
|
|
|
麗晶微芯片定制案例之遙控七彩潛水燈 深圳市某電子有限公司的李經理想開發一款遙控七彩閃燈IC芯片,用在戶外七彩潛水燈產品上面,之前李先生找到其他芯片定制的公司,未能達到理想的功能要求,后來找到了麗晶微電子。在業務與李經理的詳細溝通后了解到,其之前定制開發的樣品經測試,芯片靜態功耗太大.....查看詳情》》 |
|
麗晶微芯片定制案例之遙控電子蠟燭系列 惠州市某電子科技公司的劉經理想定制一批遙控電子蠟燭IC芯片,惠州市某電子公司專業研發生產銷售室內電子蠟燭,室外電子蠟燭,遙控定時電子蠟燭等多種電子蠟燭系列產品。隨著出口市場競爭壓力越來越大,劉經理在與多家芯片定制的公司合作后.....查看詳情》》 |
麗晶微創立于2002年,擁有一批技術精湛的的技術骨干,以及有著豐富經驗的電路設計團隊和專業創新能力高科技人才;工廠設備齊全,實力雄厚
研發團隊會根據您的需求,提供一整套按需定制的解決方案,在技術上保證產品品質、穩定性、可靠性,能更好的解決客戶產品遇到的技術服務問題
臺灣資深程序設計師全程電路設計,每一線路的放置都考慮他的穩定可靠性,內置多重電路保護,微安級別的待機功耗;同時與QVC、PLG、迪斯尼等代工廠的芯片材料供應商強強聯手
完善服務體系,高效,優質的為客戶提供全程技術跟蹤服務;7*24小時貼心服務,免費提供技術指導,幫助客戶解決產品問題,降低生產成本
深圳市麗晶微電子科技有限公司
作為早期成立的從事半導體器件設計制作的企業之一,專注從事模擬電路及數字模擬混合電路開發設計的高技術企業,
主要專業從事CMOS消費類IC:閃燈IC,音樂IC,語音IC,紅外線遙控類,LED控制類驅動類、電源管理類集
成電路產品以及MCU類的設計研發和銷售的企業,提供標準品類和客戶委托開發MASK.....
|
|