EC8228 8鍵觸摸IC 一、概述 EC8228觸摸檢測IC是一款使用電容感應式原理設計的觸摸芯片。此芯片內建穩壓電路供觸摸傳感器使用,穩定的觸摸效果可以應用在各種不同應用上,人體觸摸面板可以通過非導電性絕緣材料連接,主要應用是以取代機械開關或按鈕,此芯片可以獨立支持8個觸摸鍵。
一、概述
EC8228觸摸檢測IC是一款使用電容感應式原理設計的觸摸芯片。此芯片內建穩壓電路供觸摸傳感器使用,穩定的觸摸效果可以應用在各種不同應用上,人體觸摸面板可以通過非導電性絕緣材料連接,主要應用是以取代機械開關或按鈕,此芯片可以獨立支持8個觸摸鍵。
二、特點
①工作電壓:2.5V~5.5V(啟用內部穩壓電路)/2.0V~5.5V(禁用內部穩壓電路)
②內建穩壓電路功能
③待機電流:3V電壓,低速采樣率8Hz的睡眠模式下:典型值4.5uA
④提供8個直接輸出獨立端口
⑤SPI 接口輸出:具有選項選擇有效鍵最大輸出時間大約為80Sec
⑥上電后需要0.5Sec穩定時間,在此期間內請勿觸摸按鍵面板,所有的功能觸摸無效
⑦自動校準:當所有按鍵在一段時間內沒有被觸摸到時,芯片系統重新校準時間約為4.0Sec
三、功能模塊圖
四、封裝及引腳描述
腳位功能描述:
注:引腳類型
I =>CMOS輸入
I-PH =>帶上拉電阻的CMOS輸入
I-PL =>帶下拉電阻的CMOS輸入
O =>CMOS輸出
I/O =>CMOS輸入/輸出
P =>電源/地
OD =>CMOS漏極開路(Open Drain)輸出;
(在OD輸出下,TPQ0~TPQ7引腳的開漏輸出有二極管保護電路,而SDA引腳沒有)
五、功能描述
1、靈敏度調節
PCB板上感應焊盤尺寸大小及走線會直接影響靈敏度,因此靈敏度調節需要根據實際應用的PCB應進行調節,EC8228提供一些外部調節靈敏度的方法。
1-1 改變感應焊盤尺寸大小
若其他條件固定不變,使用一個較大的感應焊盤將會增大其靈敏度,反之靈敏度將下降,但是感應焊盤的尺寸大小也必須是在其有效范圍值內。
1-2 改變面板厚度
若其他條件固定不變,使用一個較薄的面板也會將靈敏度提高,反之靈敏度則下降,但是面板的厚度必須低于其最大值。
1-3 通過調節外接電容
當其他條件固定時,在可用范圍(1pF≦CJ0~CJ1≦50pF,1pF≦CJWA≦50pF)內增大 CJ0~CJ1,CJWA的值將降低靈敏度。當不連接任何電容,即在電容連接處處于懸空其靈敏度為最大。電容CJ0~CJ1用于調節工作模式下按鍵的靈敏度。電容CJWA用于調節睡眠模式下喚醒靈敏度。至于各電容與各鍵其關系如下表。
注:當使用電容調節靈敏度時,建議先調節CJ0~CJ1的容值去調節K0~K7的靈敏度,然后再調節CJWA的容值去調節喚醒靈敏度。
2. 輸出模式
EC8226通信方式為SPI(2-線串行)通信,SDO端口為數據輸出端口,SCL是時鐘輸入端口,兩者皆可TP1(SAHL)端口選擇為高電平有效還是低電平有效。默認為TP1(SAHL)端口不連接高阻值電阻到GND設置為低電平有效。若連接高阻值電阻到GND,則設置為高電平有效。
2-線串行輸出方式它支持連續接受其它系統送給的數據,也可以讓其他設備等待EC8228通SDO端口送出的數據信號(DV),然后再送出時鐘信號到EC8228的SCL端口并從SDO端口取得按鍵數據。EC8228的2-線串行通訊方式對SCL端口設有時間的限制。如果SCL端口超過2ms信號沒有變化,系統將會自行回到待機模式。
2-線串行通訊方式時序如下圖所示:(D0~D7 對應于TP0~TP7上數據)
1.當TP1=0,TP2=1:高電平有效
2.當 TP1=1,TP2=1:低電平有效
4.按鍵工作模式
EC8228具備單鍵有效和多鍵有效功能。由TP3(SKMS1)和TP4(SKMS0)端口設定。全部按鍵可分為一組或兩組進行設置。組1包括TP0,TP1,TP2,TP3按鍵。組2包括TP4,TP5,TP6,TP7按鍵。設置方式參見下表
注:1、設定為一組:TP0~TP7。
設定為兩組:組 1=>TP0,TP1,TP2,TP3
組 2=>TP4,TP5,TP6,TP7
2、當使用8模式時TP0~TP7為輸入鍵。
3、TP3和TP4的選擇狀態,“0”狀態是指連接高阻值電阻到GND,“1”狀態是不連接高阻值電阻到VDD。
4、在單鍵有效功能下,鍵的檢測承認優先權是依鍵的掃描順序(從 TP0 到 TP7),當同時多鍵被有效觸摸。不是依照鍵被觸摸的強度。
5、睡眠模式的喚醒采樣率和采樣長度
EC8228在睡眠模式具有兩種采樣率,分別是8Hz 和 64Hz。這兩種功能由 TP5(SLWPTM)端口選擇。TP5(SLWPTM)端口連接高阻值電阻到GND時,選擇為64Hz 采樣率。當不連接高阻值電阻到 GND 時,將默認選為 8Hz 采樣率。EC8228在睡眠模式下有兩種采樣長度,分別是4mS和2mS,由TP6(WPSCT)端口選定。默認情形下TP6(WPSCT)端口不連接高阻值電阻到GND,將選擇為4mS。若 TP6連接高阻值電阻到GND時將設定為2mS。睡眠模式的喚醒采樣率和采樣長度見下圖。
6、有效鍵最大開啟時間
如果因其它非正常因素造成有物體觸摸到鍵并且電容量改變足夠以被認為有效觸摸,會使其一直動作,為了防止此類現象的發生,EC8228設計了有效鍵最長輸出時間設定電路,此計時即為有效按鍵最大開啟時間,若VDD為3V時大約為80S。當物體觸摸時間超過所設定時間時,系統將會返回到上電初始化狀態并停止輸出直到下一次被觸摸時,此功能由 TP7(SKSRT)端口連接高阻值電阻到GND所設定。默認為TP7(SKSRT) 端口不連接高阻值電阻到GND將設置為禁用最長輸出時間設定,此時按鍵時間為無窮大。若連接高阻值電阻到GND 時,則啟用有效鍵最長輸出時間設定功能。
7、外部選擇啟用/禁用內建穩壓電路
電容式觸摸IC要求需要穩定的電源,因此EC8228在芯片內設置了穩壓電路。此穩壓電路可以使內部電源穩定,維持芯片檢測靈敏度一致。穩定的電源能避免其靈敏度異常導致錯誤的觸發。內建穩壓電路可通過REGEN端口設置為啟用或禁用。當REGEN 端口連接到VDD或懸空時,將啟用內部穩壓電路。當REGEN連接到GND時,則禁用內部穩壓電路。且當內部穩壓電路被禁用時,必須將VREG端口連接到外部VDD。
8、自動校準功能
EC8228 具備自校準功能,系統上電時將首先對初始環境做自動校準。在此期間,所有的功能都被禁用,因此不要對PAD做觸摸或其他操作,之后系統進入到待機模式。若所有按鍵在4Sec內沒有檢測到TOUCH,系統將會自動重新校準。此自動重新校準的特性實現了使系統隨環境變化且能正常工作的目的。
9、由睡眠模式轉到工作模式的時序圖
10、功能選項表格
注:1.關于組1和組2的組成,請參照上面第4點。
2.選項中狀態“1”表示內部上拉(默認)。
3.選項中狀態“0”表示TP0~TP7端口連接高阻值電阻到GND
六、絕對最大值(所有電壓以GND為參考)
七、電氣參數 (所有電壓以GND為參考﹐VDD=3.0V,環境溫度為25℃)
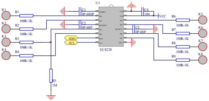
八、應用電路圖
注:1.在PCB上,感應焊盤距離IC端口的連線長度越短越好。并且每根感應線不能平行交叉。
2.電源必須穩定,如果電壓不穩定,可能會造成靈敏度異常或錯誤的觸發。
3.覆蓋在PCB上的面板不能是帶有金屬成份或其它導電的材料,包括最表面的涂料。
4.VDD及GND必需使用電容器C1做濾波,同時在布線時C1電容器必需是最近距離靠近IC(EC8228)的VDD及GND管腳之間。
5.CJ0~CJ1和CJWA的電容值可用于調節對應鍵的靈敏度。電容值越小,靈敏度越高。靈敏度的調節必須是根據實際應用的PCB來做決定。電容值的取值范圍是 1pF≦CJ0~CJ1≦50pF,1pF≦CJWA≦50pF。建議先通過調節CJ0~CJ1的容值來調節K0~K15的靈敏度,再調節CJWA的容值來調節喚醒靈敏度。
6.靈敏度調節電容(CJ0~CJ1, CJWA)必須是使用溫度變化其穩定性佳的電容,比如X7R,NPO。對于觸摸應用,推薦使用NPO材質電容,以減少因溫度變化對靈敏度造成的影響。
7.推薦RP0~RP7使用1Mohm電阻。
8.當系統沒有使用EC8228的串行輸出方式,則EC8228的SCL端口必須被連接到VDD或 GND。
9.外圍PCB電路布線規則具體可參考《電容式觸摸按鍵-PCB 布線》文件。
10.以上功能選項腳若選擇默認值,建議接到固定電平,如需選擇啟用睡眠模式,ENSLP 腳建議接到VDD
深圳市麗晶微電子科技有限公司,專注于觸摸IC,觸摸開關芯片,觸摸調光IC,單鍵觸摸芯片,臺燈觸摸芯片,多鍵觸摸IC芯片,觸摸IC芯片廠家,咨詢熱線:0755-29100085
|
麗晶微芯片定制案例之遙控七彩潛水燈 深圳市某電子有限公司的李經理想開發一款遙控七彩閃燈IC芯片,用在戶外七彩潛水燈產品上面,之前李先生找到其他芯片定制的公司,未能達到理想的功能要求,后來找到了麗晶微電子。在業務與李經理的詳細溝通后了解到,其之前定制開發的樣品經測試,芯片靜態功耗太大.....查看詳情》》 |
|
麗晶微芯片定制案例之遙控電子蠟燭系列 惠州市某電子科技公司的劉經理想定制一批遙控電子蠟燭IC芯片,惠州市某電子公司專業研發生產銷售室內電子蠟燭,室外電子蠟燭,遙控定時電子蠟燭等多種電子蠟燭系列產品。隨著出口市場競爭壓力越來越大,劉經理在與多家芯片定制的公司合作后.....查看詳情》》 |
麗晶微創立于2002年,擁有一批技術精湛的的技術骨干,以及有著豐富經驗的電路設計團隊和專業創新能力高科技人才;工廠設備齊全,實力雄厚
研發團隊會根據您的需求,提供一整套按需定制的解決方案,在技術上保證產品品質、穩定性、可靠性,能更好的解決客戶產品遇到的技術服務問題
臺灣資深程序設計師全程電路設計,每一線路的放置都考慮他的穩定可靠性,內置多重電路保護,微安級別的待機功耗;同時與QVC、PLG、迪斯尼等代工廠的芯片材料供應商強強聯手
完善服務體系,高效,優質的為客戶提供全程技術跟蹤服務;7*24小時貼心服務,免費提供技術指導,幫助客戶解決產品問題,降低生產成本
深圳市麗晶微電子科技有限公司
作為早期成立的從事半導體器件設計制作的企業之一,專注從事模擬電路及數字模擬混合電路開發設計的高技術企業,
主要專業從事CMOS消費類IC:閃燈IC,音樂IC,語音IC,紅外線遙控類,LED控制類驅動類、電源管理類集
成電路產品以及MCU類的設計研發和銷售的企業,提供標準品類和客戶委托開發MASK.....
|
|


