EC012M 單通道觸摸調光IC 一、功能概述 EC012M 是一款用于LED燈光亮度調節及開關控制的單通道觸摸芯片。使用該芯片可以實現LED燈光的觸摸開關控制和亮度、色溫調節。具有如下功能特點和優勢: 1、燈光亮度可根據需要隨意調節,選擇范圍寬,操作簡單方便。 2、可在有介質(如玻璃、亞克力、塑料、陶瓷等)隔離保護的情況下實現觸摸功能,安全性高。 3、應用電壓范圍寬,可在 2.4~4.5V 之間任意選擇。 4、應用電路簡單,外圍器件少,加工方便,成本低。 5、抗電源干擾及手機干擾特性好。EFT 可以達到±4 KV 以上;近距離、多角度手機干擾情況下,觸摸響應靈敏度及可靠性不受影響。
EC012M 單通道觸摸調光IC
一、功能概述
EC012M是一款用于LED燈光亮度調節及開關控制的單通道觸摸芯片。使用該芯片可以實現LED燈光的觸摸開關控制和亮度、色溫調節。具有如下功能特點和優勢:
1、燈光亮度可根據需要隨意調節,選擇范圍寬,操作簡單方便。
2、可在有介質(如玻璃、亞克力、塑料、陶瓷等)隔離保護的情況下實現觸摸功能,安全性高。
3、應用電壓范圍寬,可在2.4~4.5V之間任意選擇。
4、應用電路簡單,外圍器件少,加工方便,成本低。
5、抗電源干擾及手機干擾特性好。EFT可以達到±4KV以上;近距離、多角度手機干擾情況下,觸摸響應靈敏度及可靠性不受影響。
二、功能特性
TI 觸摸輸入對應SO1以及SO2控制輸出。共有四種功能可選,由OPT1/OPT2管腳上電前的
輸入狀態來決定。具體如下:
1)OPT1=1,OPT2=1:觸控調色溫+無級調光(有緩沖)
2)OPT1=1,OPT2=0:觸控三段調光+調色溫(有緩沖)
3)OPT1=0,OPT2=1:觸控調色溫+無級調光(無緩沖)
4)OPT1=0,OPT2=0:觸控三段調光+調色溫(無緩沖)
功能說明:TI觸控輸入,SO1,SO2,LED輸出。
點擊觸摸--觸摸持續時間小于550ms; 長按觸摸--觸摸持續時間大于550ms
1、觸控調色溫+無級調光(有緩沖)
初始上電時,燈為關滅狀態。
每次點擊觸摸,按[SO1+SO2->SO1->SO2->滅]依次循環變化。
長按觸摸,無級調光
點擊觸摸和長按觸摸可以在任何時候隨意使用,相互之間功能不受干擾和限制。
2、觸摸調色溫+調光功能 (無緩沖)
功能同上,色溫變化時沒有緩沖
3、觸摸三段調光+調色溫(有緩沖)
初始上電時,燈為關滅狀態。
每次點擊觸摸,按[高亮度->中亮度->低亮度->滅]依次循環變化。
長按觸摸調色溫;SO1+SO2->SO1->SO2->SO1+SO2 循環。
4、觸摸三段調光+調色溫(無緩沖)
功能同上,色溫變化時沒有緩沖
三、封裝及引腳說明
SOP8
四、封裝尺寸圖
SOP8
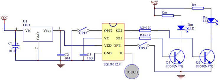
五、應用電路圖
注: 當介質材料及厚度等差異較大時,可通過調整VC與GND之間的C3電容來調節觸摸靈敏度。電容容值越大,靈敏度越高;電容容值越小,靈敏度越低。以下參數數據僅供參考,具體以實際為準。

六、電氣參數:
深圳市麗晶微電子科技有限公司,專注于觸摸調光IC,單鍵觸摸IC,觸摸無極調光IC,觸摸開關芯片,單通道觸摸芯片,金屬觸摸調光IC,金屬觸摸IC芯片,觸摸臺燈無極調光IC,觸摸芯片廠家,咨詢熱線:0755-29100085
|
麗晶微芯片定制案例之遙控七彩潛水燈 深圳市某電子有限公司的李經理想開發一款遙控七彩閃燈IC芯片,用在戶外七彩潛水燈產品上面,之前李先生找到其他芯片定制的公司,未能達到理想的功能要求,后來找到了麗晶微電子。在業務與李經理的詳細溝通后了解到,其之前定制開發的樣品經測試,芯片靜態功耗太大.....查看詳情》》 |
|
麗晶微芯片定制案例之遙控電子蠟燭系列 惠州市某電子科技公司的劉經理想定制一批遙控電子蠟燭IC芯片,惠州市某電子公司專業研發生產銷售室內電子蠟燭,室外電子蠟燭,遙控定時電子蠟燭等多種電子蠟燭系列產品。隨著出口市場競爭壓力越來越大,劉經理在與多家芯片定制的公司合作后.....查看詳情》》 |
麗晶微創立于2002年,擁有一批技術精湛的的技術骨干,以及有著豐富經驗的電路設計團隊和專業創新能力高科技人才;工廠設備齊全,實力雄厚
研發團隊會根據您的需求,提供一整套按需定制的解決方案,在技術上保證產品品質、穩定性、可靠性,能更好的解決客戶產品遇到的技術服務問題
臺灣資深程序設計師全程電路設計,每一線路的放置都考慮他的穩定可靠性,內置多重電路保護,微安級別的待機功耗;同時與QVC、PLG、迪斯尼等代工廠的芯片材料供應商強強聯手
完善服務體系,高效,優質的為客戶提供全程技術跟蹤服務;7*24小時貼心服務,免費提供技術指導,幫助客戶解決產品問題,降低生產成本
深圳市麗晶微電子科技有限公司
作為早期成立的從事半導體器件設計制作的企業之一,專注從事模擬電路及數字模擬混合電路開發設計的高技術企業,
主要專業從事CMOS消費類IC:閃燈IC,音樂IC,語音IC,紅外線遙控類,LED控制類驅動類、電源管理類集
成電路產品以及MCU類的設計研發和銷售的企業,提供標準品類和客戶委托開發MASK.....
|
|