ET8022W單觸控單輸出LED調光ICET8022W 是一款電容式觸摸控制ASIC,支持單通道觸摸輸入和單路PWM輸出,可引腳配置4種功能。ET8022W主要應用于觸摸調光LED燈具,具有低功耗、高抗干擾、寬工作電壓范圍、燈光無頻閃、外圍器件少的突出優勢。
ET8022W單觸控單輸出LED調光IC
目 錄
1. 產品概述 ........................2
2. 主要特性 ........................ 2
3. 封裝及引腳說明........................ 2
4. 功能介紹........................ 3
5. 應用電路........................ 4
6. 電氣參數........................ 5
6.1 電氣特性極限參數........................5
6.2 直流特性........................5
7. 封裝尺寸圖........................ 5
8. 歷史記錄........................ 7
單觸控單輸出LED調光IC
ET8022W是一款電容式觸摸控制ASIC,支持單通道觸摸輸入和單路PWM輸出,可引腳配置4種功能。ET8022W主要應用于觸摸調光LED燈具,具有低功耗、高抗干擾、寬工作電壓范圍、燈光無頻閃、外圍器件少的突出優勢。
待機電流約9uA@VDD=5V&CMOD= CMOD=10nF
單通道觸摸輸入
單路PWM輸出,頻率20KHz
采用電荷分享方式實現觸摸
可引腳配置4種功能
內置穩壓源、上電復位和低壓復位等硬件模塊
內置實時環境自適應、高效數字濾波等軟件算法
HBM ESD 優于4KV
圖1SOP8管腳示意
表1引腳說明
NO.
管腳名稱
I/O
描述
1
NC
-
--
2
CMOD
I/O
采樣電容輸入腳
3
VDD
P
電源正
4
VSS
P
電源負
5
TCH
I/O
觸摸輸入腳
6
OPT1
I/O
選項輸入腳1
7
SO
1/O
PWM輸出腳
8
OPT2
I/O
選項輸入腳2
4. 功能介紹
TCH觸摸輸入對應SO燈光控制輸出(PWM)。共有四種功能可選,由OPT1/OPT2管腳上電前的輸入狀態來決定。芯片管腳有內部上拉,懸空為1,接GND為0,具體如下表:
表2功能模式
模式
OPT1
OPT2
輸出
調光方式
1
1
1
單
亮度無記憶無緩沖
無級調光
2
0
1
單
亮度無記憶有緩沖
無級調光
3
1
0
單
亮度有記憶有緩沖
無級調光
4
0
0
單
順序低->中->高->滅
三段調光
詳細功能說明如下:
模式1:亮度無記憶無緩沖LED觸摸無級調光功能
TCH觸控輸入對應SO的PWM調光LED輸出。初始上電時,燈為關滅狀態。
短按觸摸(觸摸持續時間小于550ms)時,可實現燈光的亮滅控制。一次短按觸摸,燈亮;再一次短按觸摸,燈滅,如此循環。燈光點亮或關滅時,無亮度緩沖,且燈光點亮初始亮度固定為90%占空比。
長按觸摸(觸摸持續時間大于550ms)時,可實現燈光無級亮度調節。一次長按觸摸,燈光亮度逐漸增加,松開時燈光亮度停在松開時刻對應的亮度,若長按時間超過3秒鐘,則燈光亮度達到最大亮度后不再變化;再一次長按觸摸,燈光亮度逐漸降低,松開時燈光亮度停在松開時刻對應的亮度,若長按時間超過3秒鐘,則燈光亮度達到最小亮度后不再變化,如此循環。
最低亮度的PWM信號占空比為2%,最高亮度為100%。關燈情況下長按觸摸也可開燈,此時按鍵按下后先以90%亮度點燈,若超過550ms后仍未松開,則向下無級調光。
短按觸摸和長按觸摸可以在任何時候隨意使用,相互之間功能不受干擾和限制。
模式2:亮度無記憶有緩沖LED觸摸無級調光功能
在模式1的基礎上,在點擊觸摸開燈和關燈時,通過使燈光由一個較低亮度平滑過渡到開燈初始亮度,在點擊觸摸關燈時,使燈光由當前亮度平滑降低直至關滅,從而達到亮度平滑變化的視覺緩沖效果,起到保護眼睛和視力的效果。
模式3:亮度有記憶有緩沖LED觸摸無級調光功能
在模式2的基礎上增加了亮度記憶功能。即在電源不斷電的情況下,每次短按觸摸關燈時的亮度會被記憶,下次短按觸摸開燈時會以此亮度作為初始亮度。
初始上電或斷電后重新上電,第一次開燈的初始亮度固定為90%最高亮度,第一次調光的方向固定為向下調光。
未斷電短按開燈后第一次長按調光的方向由之前記憶的亮度值來決定,若記憶亮度值大于45%,則向下調光;若記憶亮度值小于45%,則向上調光。
模式4:LED三段觸摸調光功能
初始上電時,SO輸出全低電平,燈為關滅狀態。
每次點擊觸摸,燈光亮度按低亮度->中亮度->高亮度->滅依次循環變化,低、中、高三檔亮度對應的PWM占空比分別為10%、40%、100%。
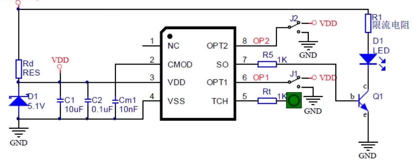
圖2標準應用電路
圖3 直流高壓供電應用電路VCC(>5.5V)
注意:
當介質材料及厚度等差異較大時,可通過調整CMOD 與GND 之間的Cm 電容來調節觸摸靈敏度。電容容值越大,靈敏度越高;電容容值越小,靈敏度越低。以下數據僅供參考,具體以實際為準。
表3 CMOD 采樣電容
介質類型
CMOD采樣電容
器件類型
器件參數
直接觸摸金屬外殼
333 NPO電容
33nF/25V
3mm 以內亞克力玻璃
103 NPO電容
10nF/25V
3-6mm 亞克力玻璃
203 NPO電容
20nF/25V
6-10mm 亞克力玻璃
473 NPO電容
47nF/25V
6. 電氣參數
6.1 電氣特性極限參數
表4極限參數
參數
標號
條件
范圍
單位
供電電壓
VDD
-
-0 to +6 .0
V
輸入電壓
VI
所有 I/O口
-0.3 to VDD + 0.3
V
工作溫度
TA
-
-20 to + 70
℃
儲藏溫度
TSTG
-
-40 to + 125
℃
6.2直流特性
表5直流特性(如無特殊說明 VDD = 2.4V~5 .5V ,Temp = 25ºC)
參數
標號
條件
最小值
典型值
最大值
單位
工作電壓
VDD
2.4
5.5
V
輸入高電壓閾值
VIH
0.75VDD
V
輸入低電壓閾值
VIL
0.25 VDD
V
輸出 Source 電流
loH_so
VDD=5V,VOH=9/10VDD
-4.5
mA
VDD=5V,VOH=2/3VDD
-12
mA
輸出 Sink 電流
loH_sO
VDD=5V, VOL=1/10VDD
D=5V,VOL=1/10VDD
12
mA
VDD=5V,VOL=1/3VDD
28
mA
待機電流
ISB
VDD=5V,Cmod=10nF
9
uA
VDD=3V,Cmod=10nF
6.5
PWM輸出頻率
FPWM
20
KHz
7. 封裝尺寸圖
7.1SOP8封裝
表6 SOP8 封裝尺寸
符號
尺寸( mm 單位)
最小值
典型值
最大值
A
4.80
-
5.00
A1
0.35
-
0.45
A2
-
1.27
-
A3
-
0.345
-
B
3.80
-
4.00
B1
5.80
-
6.20
B2
-
5.00
-
C
1.30
-
1.50
C1
0.55
-
0.65
C2
0.55
-
0.65
|
麗晶微芯片定制案例之遙控七彩潛水燈 深圳市某電子有限公司的李經理想開發一款遙控七彩閃燈IC芯片,用在戶外七彩潛水燈產品上面,之前李先生找到其他芯片定制的公司,未能達到理想的功能要求,后來找到了麗晶微電子。在業務與李經理的詳細溝通后了解到,其之前定制開發的樣品經測試,芯片靜態功耗太大.....查看詳情》》 |
|
麗晶微芯片定制案例之遙控電子蠟燭系列 惠州市某電子科技公司的劉經理想定制一批遙控電子蠟燭IC芯片,惠州市某電子公司專業研發生產銷售室內電子蠟燭,室外電子蠟燭,遙控定時電子蠟燭等多種電子蠟燭系列產品。隨著出口市場競爭壓力越來越大,劉經理在與多家芯片定制的公司合作后.....查看詳情》》 |
麗晶微創立于2002年,擁有一批技術精湛的的技術骨干,以及有著豐富經驗的電路設計團隊和專業創新能力高科技人才;工廠設備齊全,實力雄厚
研發團隊會根據您的需求,提供一整套按需定制的解決方案,在技術上保證產品品質、穩定性、可靠性,能更好的解決客戶產品遇到的技術服務問題
臺灣資深程序設計師全程電路設計,每一線路的放置都考慮他的穩定可靠性,內置多重電路保護,微安級別的待機功耗;同時與QVC、PLG、迪斯尼等代工廠的芯片材料供應商強強聯手
完善服務體系,高效,優質的為客戶提供全程技術跟蹤服務;7*24小時貼心服務,免費提供技術指導,幫助客戶解決產品問題,降低生產成本
深圳市麗晶微電子科技有限公司
作為早期成立的從事半導體器件設計制作的企業之一,專注從事模擬電路及數字模擬混合電路開發設計的高技術企業,
主要專業從事CMOS消費類IC:閃燈IC,音樂IC,語音IC,紅外線遙控類,LED控制類驅動類、電源管理類集
成電路產品以及MCU類的設計研發和銷售的企業,提供標準品類和客戶委托開發MASK.....
|
|