深圳市麗晶微電子科技有限公司,專注于拍拍燈IC,拍拍燈芯片IC,硅膠拍拍燈IC方案,閃燈IC,七彩LED閃燈IC,閃燈芯片IC,小夜燈IC芯片方案,閃燈IC開發設計,LED定時芯片,閃燈IC芯片方案開發,更多產品請咨詢:0755-29100085
EC19010206-V07-179B 拍拍燈IC芯片
一、功能說明
1、供電方式:DC5.0V適配器充電功能
DC3.7V鋰電供電,充電時紅燈呼吸閃(檢測DC座電壓),此時其他功能無法操作(充電時禁止其他功能)
輸入IO控制端。
2、長按開關機功能:一個手動按鍵開關,長按3秒開機。長按3秒關機,
3、亮度調節功能:開機后紅綠藍三個燈亮50%(53MA)亮度,再短按下70%(80MA)亮度,再短按下100%亮度138MA。一個聲控輸入IO。
4、LED七彩閃燈功能:開機后,輕拍第一下紅燈亮,輕拍第二次紅燈+綠燈亮,輕拍第三次綠燈亮,輕拍第四次綠燈+藍燈亮,輕拍第五次藍燈亮,輕拍第六次藍+紅燈亮,輕拍第七次是七彩慢閃
5、2小時定時功能:開機后無任何動作靜放2小時自動關機。有動作按鍵或拍動會自動延時2小時關機,無論是聲控觸發還是按鍵調亮度觸發都會重新計時。
二、電氣性能(VDD=3.0V,GND=0,Ta=25℃,)
|
參數 |
符號 |
最小值 |
典型值 |
最大值 |
單位 |
條件 |
|
工作電壓 |
VDD |
2.2 |
3.0 |
5.0 |
V |
|
|
工作電流 |
IOP |
|
1.5 |
|
mA |
|
|
靜態電流 |
ISTB |
|
|
5 |
uA |
VDD=5.0V |
|
驅動電流低電平輸出 |
IOL |
|
21 |
|
mA |
VDD=5.0V,VOL=0.6V |
|
驅動電流高電平輸出 |
IOH |
|
3.5 |
|
mA |
VDD=5.0V,VOH=VDD-0.6V |
|
過VDD極限電流 |
IVDDmax |
|
|
50 |
mA |
|
|
過GND極限電流 |
IGNDmax |
|
|
50 |
mA |
|
|
工作溫度 |
TA |
-20 |
25 |
85 |
℃ |
|
|
儲存溫度 |
Tstg |
-40 |
25 |
150 |
℃ |
|
三、參考電路圖:
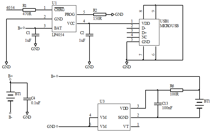
1、充電電源部分
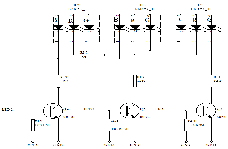
2、LED輸出部分
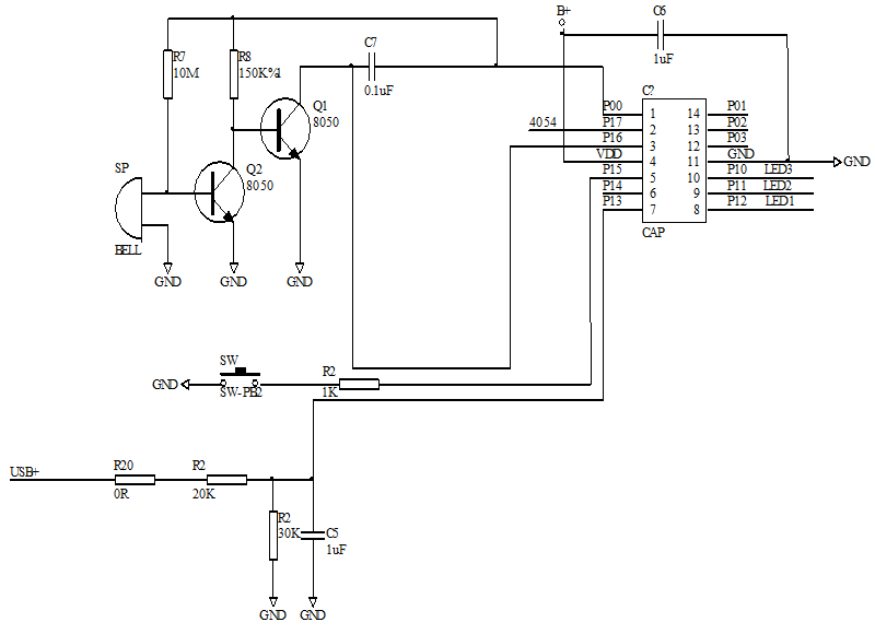
3、不帶AD檢測
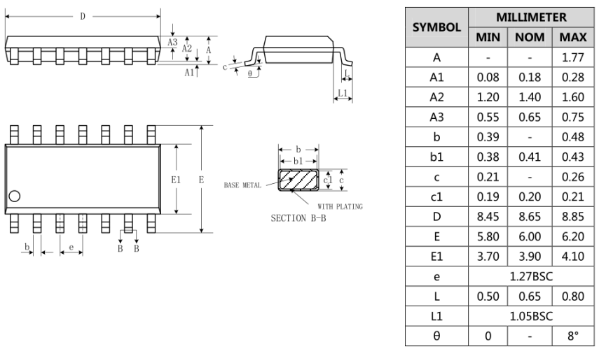
四、封裝尺寸圖SOP14
深圳市麗晶微電子科技有限公司,專注于拍拍燈IC,拍拍燈芯片IC,硅膠拍拍燈IC方案,閃燈IC,七彩LED閃燈IC,閃燈芯片IC,小夜燈IC芯片方案,閃燈IC開發設計,LED定時芯片,閃燈IC芯片方案開發,更多產品請咨詢:0755-29100085
|
麗晶微芯片定制案例之遙控七彩潛水燈 深圳市某電子有限公司的李經理想開發一款遙控七彩閃燈IC芯片,用在戶外七彩潛水燈產品上面,之前李先生找到其他芯片定制的公司,未能達到理想的功能要求,后來找到了麗晶微電子。在業務與李經理的詳細溝通后了解到,其之前定制開發的樣品經測試,芯片靜態功耗太大.....查看詳情》》 |
|
麗晶微芯片定制案例之遙控電子蠟燭系列 惠州市某電子科技公司的劉經理想定制一批遙控電子蠟燭IC芯片,惠州市某電子公司專業研發生產銷售室內電子蠟燭,室外電子蠟燭,遙控定時電子蠟燭等多種電子蠟燭系列產品。隨著出口市場競爭壓力越來越大,劉經理在與多家芯片定制的公司合作后.....查看詳情》》 |
麗晶微創立于2002年,擁有一批技術精湛的的技術骨干,以及有著豐富經驗的電路設計團隊和專業創新能力高科技人才;工廠設備齊全,實力雄厚
研發團隊會根據您的需求,提供一整套按需定制的解決方案,在技術上保證產品品質、穩定性、可靠性,能更好的解決客戶產品遇到的技術服務問題
臺灣資深程序設計師全程電路設計,每一線路的放置都考慮他的穩定可靠性,內置多重電路保護,微安級別的待機功耗;同時與QVC、PLG、迪斯尼等代工廠的芯片材料供應商強強聯手
完善服務體系,高效,優質的為客戶提供全程技術跟蹤服務;7*24小時貼心服務,免費提供技術指導,幫助客戶解決產品問題,降低生產成本
深圳市麗晶微電子科技有限公司
作為早期成立的從事半導體器件設計制作的企業之一,專注從事模擬電路及數字模擬混合電路開發設計的高技術企業,
主要專業從事CMOS消費類IC:閃燈IC,音樂IC,語音IC,紅外線遙控類,LED控制類驅動類、電源管理類集
成電路產品以及MCU類的設計研發和銷售的企業,提供標準品類和客戶委托開發MASK.....
|
|