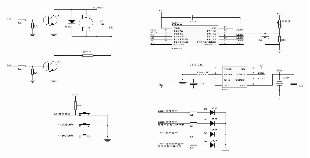
BCAF加熱型跳蛋IC芯片,寬電壓輸入,DC=2.2-5.5V,當使用鋰電池 DC=3.7V 供電時,直流
充電電壓5V,充電管理芯片在充電時紅燈閃爍指示,充滿時藍燈常亮指示,充電時主控跳蛋芯片
不能工作。
主控跳蛋IC 初始上電不工作,有3 個按鍵控制,共4 個工作指示燈,1個馬達輸出共9 檔模
式。電熱絲加熱,熱敏管感應加熱溫度。短按開關鍵開機(再按一下關機), 每次重新開機馬
達都從第1檔模式工作,短按換到下一檔,循環換檔,再按開關鍵關機。開機或關機狀態下短按
加熱鍵開始加熱,加熱指示燈常亮,當達到 38度時自動停止加熱,當低于37度自動開始加熱。
深圳市麗晶微電子科技,15年來,專注于定時IC,定時芯片,觸摸IC芯片和跳蛋類IC芯片的
方案定制。公司有幾十款循環定時芯片標準品,開發定制多款觸摸開關電路板,觸摸臺燈電路
板,按鍵跳蛋PCBA,遙控跳蛋電路板和加熱型跳蛋電路板。咨詢電話:0755-29100085。